Página inicial / Notícias

Notícias

Requisitos de seleção de corrente de transmissão de energia

Requisitos de seleção de corrente de transmissão de energia

A vantagem de um Corrente de transmissão de força é que ele pode transportar uma variedade de itens. Geralmente, itens não corrosivos...

Requisitos para o uso da corrente de transmissão da China

Requisitos para o uso da corrente de transmissão da China

Requisitos para o uso do Corrente de transmissão da China : 1. Certifique-se de que a roda dentada e a corrente sempre possam ...

Fabricantes de correntes silenciosas apresentam os fatores que causam o envelhecimento da corrente

Fabricantes de correntes silenciosas apresentam os fatores que causam o envelhecimento da corrente

Embora as placas de aço inoxidável sejam muito melhores do que as placas de aço carbono comuns, ainda existem algumas substâncias no meio ambien...

Fabricantes de correntes agrícolas apresentam as causas comuns de danos à corrente

Fabricantes de correntes agrícolas apresentam as causas comuns de danos à corrente

Cadeia Agrícola Os fabricantes apresentam as causas comuns de danos à corrente: 1. Desgaste e danos Na transmissão aberta ...

Habilidades de limpeza de corrente de transmissão

Habilidades de limpeza de corrente de transmissão

Cadeia de Transmissão habilidades de limpeza: 1. Muitas vezes vejo que algumas pessoas usam um ácido forte ou detergente para l...

Fabricantes de correntes de transmissão apresentam como superar o tremor da corrente

Fabricantes de correntes de transmissão apresentam como superar o tremor da corrente

No processo de utilização da corrente, é inevitável encontrar problemas com a corrente. Abaixo, Corrente de transmissão Os fabricante...

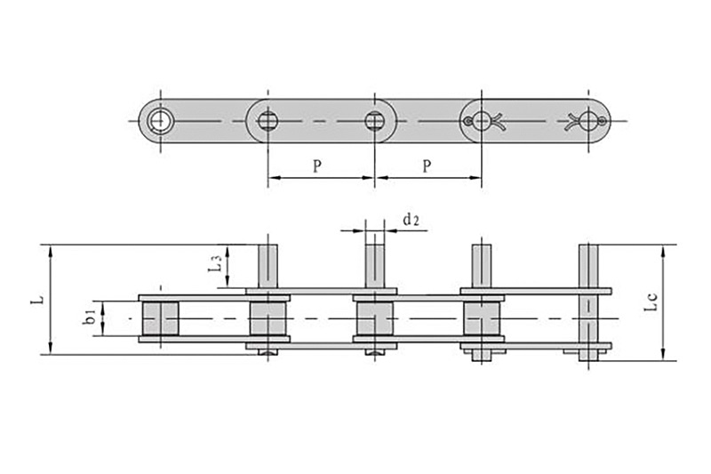
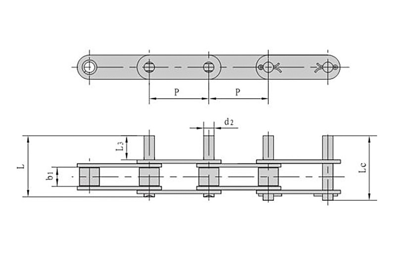
Características estruturais da corrente transportadora

Características estruturais da corrente transportadora

O desenvolvimento de correntes transportadoras e transportadores de corrente é complementar. Combinado com transportadores de corrente, é necess...

Habilidades de limpeza de roda dentada industrial

Habilidades de limpeza de roda dentada industrial

Roda dentada industrial é um componente comum em equipamentos de transmissão mecânica, e várias correntes podem ser vistas em muitos centr...

Guia de instalação da corrente de folhas

Guia de instalação da corrente de folhas

Hoje em dia, na produção industrial ou na vida, você verá a figura das correntes. Não importa que tipo de estilo existam, eles mostrarão seu val...

Requisitos de manutenção de cadeia industrial

Requisitos de manutenção de cadeia industrial

Cadeia Industrial requisitos de manutenção: 1. O aperto da corrente de aço inoxidável não deve ser muito apertado ou muito froux...

Fabricante de corrente de rolo apresenta a diferença entre corrente de aço inoxidável e corrente de aço carbono

Fabricante de corrente de rolo apresenta a diferença entre corrente de aço inoxidável e corrente de aço carbono

Fabricante de corrente de rolo apresenta a diferença entre corrente de aço inoxidável e corrente de aço carbono: 1. Qual é a ...

Fabricante de correntes para motocicletas apresenta método de seleção de equipamentos mecânicos

Fabricante de correntes para motocicletas apresenta método de seleção de equipamentos mecânicos

Fabricante de corrente para motocicleta introduziu que, para atender aos requisitos de instalação de diferentes especificações de máqui...