Página inicial / Notícias

Notícias

Fabricantes de correntes de folhas apresentam as precauções para limpar a corrente

Fabricantes de correntes de folhas apresentam as precauções para limpar a corrente

A maioria das correntes no mercado são feitas de aço inoxidável porque a matéria-prima do aço inoxidável é relativamente dura. Forte capacidade ...

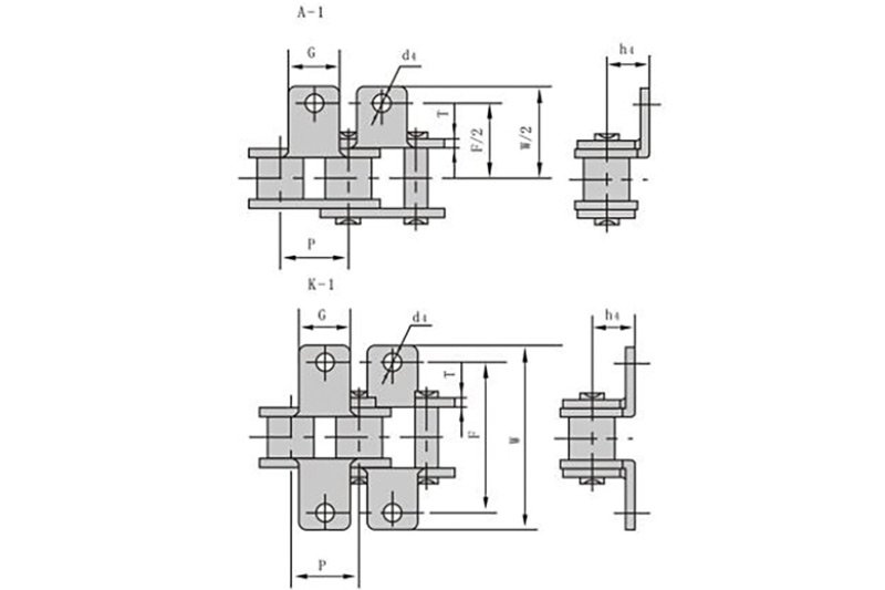
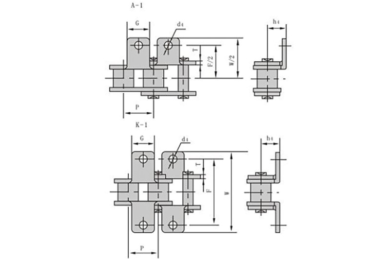
Fabricantes de correntes industriais apresentam como distinguir o tipo de corrente

Fabricantes de correntes industriais apresentam como distinguir o tipo de corrente

A corrente transportadora é adequada para assar tinta, revestimento de metal, linhas de montagem de produção em fábricas, como fábricas de móvei...

Fabricante de corrente silenciosa apresenta métodos de medição razoáveis ​​para correntes

Fabricante de corrente silenciosa apresenta métodos de medição razoáveis ​​para correntes

Faz Corrente Silenciosa O fabricante apresenta quais são os métodos de medição razoáveis para correntes? 1. Para remove...

Fabricante de correntes para motocicletas apresenta o método de limpeza de correntes de aço inoxidável

Fabricante de correntes para motocicletas apresenta o método de limpeza de correntes de aço inoxidável

Corrente de motocicleta O fabricante apresenta a corrente de aço inoxidável como equipamento de transmissão universal. De acordo com o ...

Fabricantes de correntes de rolos apresentam o princípio do design do perfil do dente da roda dentada

Fabricantes de correntes de rolos apresentam o princípio do design do perfil do dente da roda dentada

Corrente de rolo Os fabricantes apresentam os princípios de design do perfil do dente da roda dentada: 1. A forma do perfil d...

Fabricantes de correntes de transmissão apresentam as habilidades práticas da roda dentada

Fabricantes de correntes de transmissão apresentam as habilidades práticas da roda dentada

Corrente de transmissão Os fabricantes apresentam as habilidades práticas da roda dentada: 1. O aperto da roda dentada deve ...

Precauções no uso da cadeia agrícola

Precauções no uso da cadeia agrícola

Cadeia Agrícola erros podem afetar a correção do movimento da ferramenta e, em alguns casos, são o principal fator que afeta a precisã...

Como limpar adequadamente a cadeia de transmissão

Como limpar adequadamente a cadeia de transmissão

Você também pode usar água quente com sabão ou desinfetante para as mãos, ou usar uma escova de dentes descartada ou um pouco mais dura. Enxágue di...

Fabricantes de correntes transportadoras apresentam como fazer a manutenção adequada da corrente diariamente

Fabricantes de correntes transportadoras apresentam como fazer a manutenção adequada da corrente diariamente

A corrente de elevação de aço inoxidável pode ajustar o comprimento da corrente de acordo com a altura de elevação do objeto de elevação. É um d...

Fabricantes de rodas dentadas industriais apresentam técnicas de manuseio para depósitos de carbono em cadeia

Fabricantes de rodas dentadas industriais apresentam técnicas de manuseio para depósitos de carbono em cadeia

Quando correntes de aço inoxidável são usadas em equipamentos mecânicos, alguma sujeira será inevitavelmente aderida, a maioria das quais são de...

Fabricantes de correntes de folhas apresentam por que a corrente irá quebrar

Fabricantes de correntes de folhas apresentam por que a corrente irá quebrar

Cadeia de Folhas Os fabricantes apresentaram os motivos e soluções que causaram a quebra da cadeia: 1. Durante o uso, devido ...

Fabricantes de correntes industriais apresentam as características de correntes de alta qualidade

Fabricantes de correntes industriais apresentam as características de correntes de alta qualidade

Cadeia Industrial Os fabricantes apresentam as características das cadeias de alta qualidade: 1. Boa confiabilidade e p...