Página inicial / Notícias

Notícias

Fabricante de correntes agrícolas apresenta método de seleção de correntes

Fabricante de correntes agrícolas apresenta método de seleção de correntes

Cadeia Agrícola fabricante apresenta o método de seleção de correntes: Em primeiro lugar, é a escolha do material da corrent...

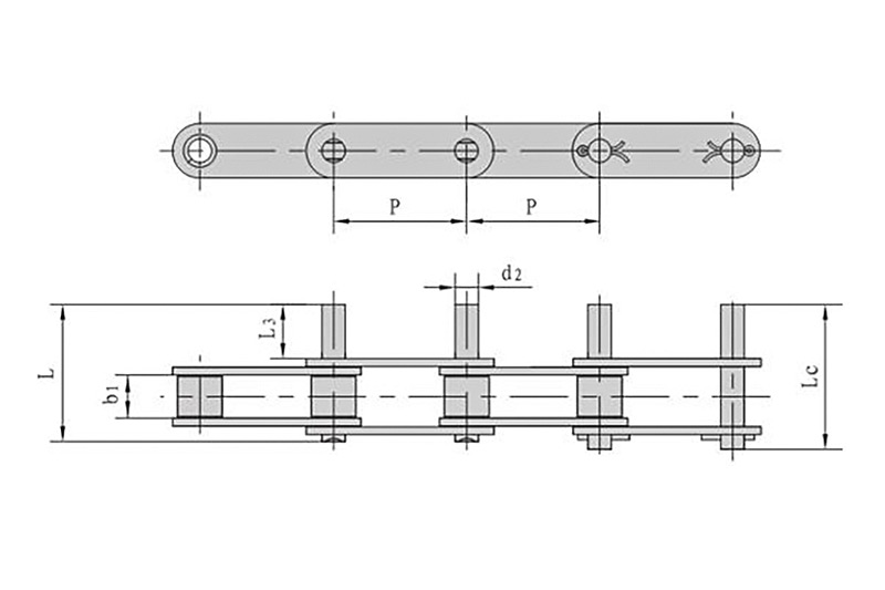
Fabricante de corrente de transmissão apresenta como manter a corrente

Fabricante de corrente de transmissão apresenta como manter a corrente

Cadeia de Transmissão fabricante apresenta como manter a corrente: 1. O aperto da roda dentada deve ser apropriado. Muito aperta...

Fabricantes de correntes transportadoras apresentam como reduzir efetivamente a perda de aplicação da corrente

Fabricantes de correntes transportadoras apresentam como reduzir efetivamente a perda de aplicação da corrente

Corrente Transportadora Os fabricantes apresentam como reduzir efetivamente a perda de aplicação da cadeia: Preste atenção à aplicação d...

Fabricantes de rodas dentadas industriais apresentam a causa da falha da corrente

Fabricantes de rodas dentadas industriais apresentam a causa da falha da corrente

Roda dentada industrial Os fabricantes apresentam a causa da falha da corrente: 1. Se a pressão do ar está anormal, como se a bomba de a...

Fornecedores de cadeias de folhas falam sobre como manter a cadeia

Fornecedores de cadeias de folhas falam sobre como manter a cadeia

Se a corrente transportadora não for mantida por um longo período, causará problemas como aumento da taxa de falhas e redução da vida útil. A se...

Fornecedores de cadeias industriais apresentam por que os bate-papos são agitados

Fornecedores de cadeias industriais apresentam por que os bate-papos são agitados

O que devemos fazer quando há instabilidade na cadeia industrial? Acredito que isso é o que muitas pessoas querem muito saber. Então, Cade...

Fabricantes de correntes silenciosas apresentam as precauções para ajustar a corrente

Fabricantes de correntes silenciosas apresentam as precauções para ajustar a corrente

Corrente Silenciosa Os fabricantes apresentam os cuidados para ajuste da corrente, esperando ajudá-lo: O aperto da corrente d...

Fabricantes de correntes para motocicletas apresentam estratégias para armazenamento de correntes de aço inoxidável

Fabricantes de correntes para motocicletas apresentam estratégias para armazenamento de correntes de aço inoxidável

O armazenamento de correntes de aço inoxidável também é crucial para prolongar a vida útil. O seguinte Corrente de motocicleta Os fab...

Fabricante de correntes de rolos apresenta as características das correntes transportadoras

Fabricante de correntes de rolos apresenta as características das correntes transportadoras

Corrente de rolo fabricante introduziu as características das correntes transportadoras: 1. Preço baixo, estrutura simples e...

Fabricante de corrente de transmissão apresenta estratégia de manutenção da roda dentada

Fabricante de corrente de transmissão apresenta estratégia de manutenção da roda dentada

Corrente de transmissão fabricante introduziu a estratégia de manutenção da roda dentada: 1. O aperto da corrente não deve se...

Dicas para usar a cadeia agrícola

Dicas para usar a cadeia agrícola

Precauções para o uso de Cadeia Agrícola : Boa confiabilidade e facilidade de manutenção. A corrente deve ser resistente a ambi...

Padrões de manutenção de corrente de transmissão

Padrões de manutenção de corrente de transmissão

O Cadeia de Transmissão é uma estrutura de transmissão muito crítica em equipamentos mecânicos, que afeta o desempenho de trabalho e ...