Página inicial / Notícias

Notícias

Habilidades de manutenção de corrente silenciosa

Habilidades de manutenção de corrente silenciosa

A corrente é geralmente um elo ou anel de metal, usado principalmente para transmissão mecânica e tração. Vamos dar uma olhada nos métodos de ma...

Quais são as causas comuns de danos à corrente da motocicleta

Quais são as causas comuns de danos à corrente da motocicleta

Corrente de motocicleta , como um dispositivo de força de transmissão comum, usa um design de "corrente" de arco hiperbólico para reduzir o a...

Quais são as partes da corrente de rolos

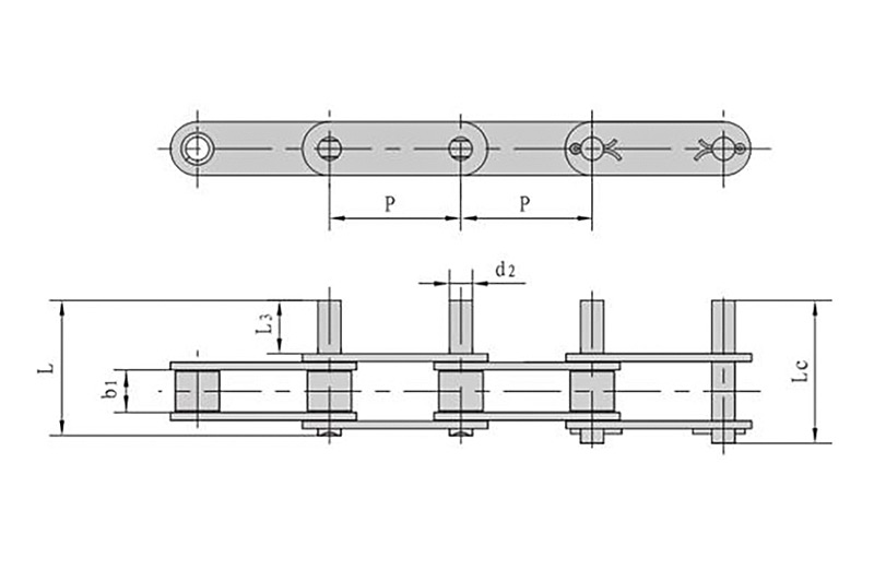
Quais são as partes da corrente de rolos

Quais são as partes do Corrente de rolo ? 1. Eixo do pino: um elemento cilíndrico delgado usado como eixo de rotação de uma...

Fabricantes de correntes de transmissão apresentam a relação entre corrente e roda dentada

Fabricantes de correntes de transmissão apresentam a relação entre corrente e roda dentada

Corrente de transmissão Os fabricantes introduziram que a roda dentada é acionada por uma corrente e o modelo da unidade geralmente é e...

Fabricante de corrente agrícola apresenta a preparação da corrente

Fabricante de corrente agrícola apresenta a preparação da corrente

Cadeia Agrícola o fabricante informa que a corrente deve estar preparada para verificar se há parafusos na corrente antes de iniciar e ...

O fabricante da corrente de transmissão apresenta como manter a corrente

O fabricante da corrente de transmissão apresenta como manter a corrente

Quando a corrente é submetida a tratamento antiferrugem para resolver o processo de operação, é necessário limpar primeiro a pasta de decapagem ...

Por que a cadeia foliar tem problemas comuns de desvio

Por que a cadeia foliar tem problemas comuns de desvio

Com a tendência de desenvolvimento contínuo no campo das correntes de aço inoxidável, os produtos de correntes de aço inoxidável também têm sido...

Detalhes de manutenção diária da cadeia industrial

Detalhes de manutenção diária da cadeia industrial

Cadeia Industrial é vantagens e detalhes de manutenção diária: 1. Se a corrente de transmissão estiver fora de d...

Fabricantes de correntes silenciosas apresentam como lidar corretamente com o erro da roda dentada de aço inoxidável

Fabricantes de correntes silenciosas apresentam como lidar corretamente com o erro da roda dentada de aço inoxidável

Corrente Silenciosa Os fabricantes apresentam como lidar corretamente com o erro da roda dentada de aço inoxidável? Obs...

Fabricantes de correntes para motocicletas apresentam métodos comuns de solução de problemas de roda dentada

Fabricantes de correntes para motocicletas apresentam métodos comuns de solução de problemas de roda dentada

Corrente de motocicleta Os fabricantes apresentam métodos comuns de solução de problemas da roda dentada: 1. A razão pa...

Fabricantes de correntes de rolos apresentam como lidar corretamente com os erros da roda dentada

Fabricantes de correntes de rolos apresentam como lidar corretamente com os erros da roda dentada

Quando a roda dentada de aço inoxidável apresenta um erro, não devemos nos apressar em resolvê-lo. Vamos seguir o Corrente de rolo Os...

Fabricantes de correntes de transmissão apresentam como remover rapidamente rolamentos de roda dentada danificados

Fabricantes de correntes de transmissão apresentam como remover rapidamente rolamentos de roda dentada danificados

Corrente de transmissão Os fabricantes apresentaram como remover rapidamente rolamentos de roda dentada danificados: 1. Remo...